扫描电子显微镜二次电子图像性质
日期:2022-05-25
二次电子是相对于入射电子的一种提法。它是指被高能入射(也称为一次或初次)电子束轰击出来的试样中的核外电子。由于原子核和外层价电子间的结合能很小,当原子的核外电子从入射电子那里获得大于相应的结合能后,就可脱离原子核的约束而成为自由电子。如果这种脱离过程发生在试样表面和亚表面层,那么这些能量大于材料逸出功的电子就可以从试样表面逸出,就成为二次电子。
二次电子主要是来自于距试样表面1~10nm之间深度的亚表面(试样表面0~1nm之间深度发出的电子主要为俄歇电子),二次电子能量在0~50eV之间,平均能量约30eV,所以这些二次电子能很好地显示出试样表面的微观形貌。由于入射电子仅经过几纳米的路径,还没有被多次反射和明显扩散,因此在入射电子照射的作用区内产生的二次电子区域与入射束的束斑直径差别不大,所以在同一台电镜中二次电子像的分辨能力最高。二次像的分辨力优于背散射像,背散射像的分辨力优于吸收电流像,吸收电流像的分辨力优于阴极荧光像。目前场发射和钨阴极电镜的二次电子像的分辨力都能分别优于1.0nm和3.0nm。一般情况下,扫描电镜的指标中所提及的图像分辨力,若没有特别说明,都是泛指二次电子像的分辨力。
二次电子的发射率随原子序数的变化不是很明显,如图a所示,它主要取决于试样的表面形貌。它是入射电子与试样中核外电子碰撞,使试样表面的核外电子被激发出来所产生的电子。当这些代表试样表面结构特征的电子被相应的探测器收集后作为扫描电镜的成像信号,其所成的像就称为二次电子像。二次电子像的衬度主要取决干试样表面与入射电子束所构成的倾角,而对于表面有一定形貌的试样,其形貌被看成由许许多多与入射电子束构成不同倾斜角度的微小形貌,如凸点、尖峰、台阶、平面、凹坑、裂纹和孔洞等细节所组成。
这些不同细节的部位发出的二次电子数各不相同,从而产生亮暗不一的衬度。由于二次电子的能量小,用 E-T探测器检测时,仅需在其前面的栅网上加几百伏的正电位,最常施加的电位为+250~+300V,即通过该电位就可把试样上发射出来的大部分二次电子吸引过来,所以二次电子像的阴影效应不明显。在二次电子探测器所对应的立体角内也能接收到相应的一小部分背散射电子,所以在二次电子像中也包含了一小部分背散射电子的信息,如图b中对应的背散射电子成分像的一些衬度信息也能在图a中反映出来,只不过图a中所显现的原子序数的衬度没有像图b中那么明显而已。

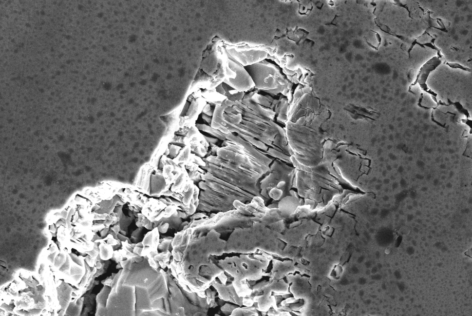
图a 金属破碎区域二次电子图像
二次电子的能量低,受局部电场的影响变化大,如图a所示的颗粒在电子束的照射下因充了负电子而发白,在这发白的颗粒周围感应了正电荷,而感应了正电荷的区域导致二次电子的发射量减小,使颗粒周围明显变暗。由于二次电子像分辨力高、阴影效应不明显、景深深、立体感强,所以它是扫描电镜中最主要的成像方式。它特别适用于观察和分析起伏较大的粗糙面,如金属、陶瓷和塑料等材料的断口,所以在材料学科中扫描电镜得到了广泛应用。
以上就是188博金宝网页官网小编介绍的扫描电子显微镜二次电子的图像性质。秉承操作便捷、快速成像、性能稳定的设计目标,188博金宝网页官网自主研发了ZEM15台式扫描电镜,更多关于扫描电镜价格的问题
作者:188博金宝网页官网
